江蘇万達特殊軸受有限公司
当サイトは「」の唯一の公式サイトであり、その他の類似サイト及びサイトの画像、情報は、すべて盗用情報である。当社は法的遡及の権利を留保します。

証券コード: 920002

卸売OEM/ODM CSG(CSF)シリーズ高調波減速機用クロスローラーベアリング

ホーム / 製品情報 / ロボット減速機ベアリング / CSG(CSF)シリーズ高調波減速機用クロスローラーベアリング

CSG(CSF)シリーズ高調波減速機用クロスローラーベアリング

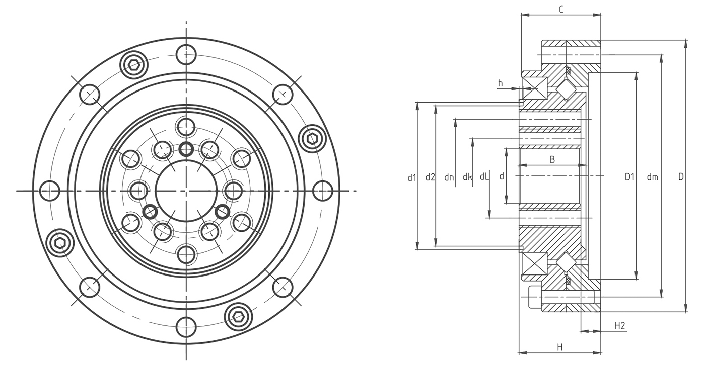
ハーモニック減速機用クロスローラーベアリングは、用途に応じて外輪分割・内輪一体型と外輪・内輪一体型の構造に大別されます。転動体は円筒ころをV字形の軌道面内に90°で直交させて配置したものです。この設計により、軸受はアキシアル荷重、ラジアル荷重、転倒モーメントなどの全方向の荷重に同時に耐えることができます。このベアリングは、高精度、高剛性、低摩擦、および複合耐荷重能力を備えています。


CSG(CSF)形は外輪分割・内輪一体構造を採用しています。取付時にフランジや軸受箱が不要で、主にCSGシリーズ、CSFシリーズ減速機の出力部に使用されます。


注意事項

取り付ける前に、ベアリング ハウジング、シャフト、およびその他の嵌合コンポーネントを徹底的に洗浄して、油、汚染物質、および破片を除去してください。バリや鋭いエッジがないことを確認してください。ハウジングの内径とベアリングの外径の間、およびシャフト ジャーナルとベアリングの内径の間のはめあい公差が、指定された要件を満たしていることを確認します。


取付ボルトの締付けは、仮締めから本締めまで3~4段階に分けて徐々に締めてください。対角線 (十字パターン) の順序に従い、締め付けプロセスを繰り返します。ボルトの締付トルクは、下表のクロスローラーベアリング取付ボルトの推奨トルク値を参考にして決定してください。

+86-513-80311111 / +86-13739151958 [email protected]
  • パラメータ
  • 寸法
  • 無料見積もりを取得する

軸受モデル

基本外形寸法

外輪取付穴

内輪取付穴

内輪位置決め穴

基本定格荷重

製品重量

kg

d

D

H

C

B

H2

D1

d1

d2

DMで

取付穴サイズ

DN

取付穴サイズ

dl

取付穴サイズ

DK

取付穴サイズ

Cr

コー

単位:mm

KN

CSG(CSF)-14

φ11

φ55

16.5

16

13.5

4

φ41.8

φ29.8

φ28.4

φ49

8-φ3.5

φ23

6-M4

φ17

6-M4

φ15

3-φ3

4.7

6.7

0.21

CSG(CSF)-14K3

φ11

φ55

16.5

16

13.5

4

φ41.8

φ29.8

φ28.4

φ49

8-φ3.5

φ23

6-M4

φ17

6-M4

φ15

3-φ2.5

4.7

6.7

0.21

CSG(CSF)-17

φ10

φ62

16.5

16

13.5

4

φ49

φ36

φ33.8

φ56

10-φ3.5

φ27

6-M5

φ19

6-M5

φ15

3-φ3

5.3

7.5

0.25

CSG(CSF)-20

φ14

φ70

16.5

16

13.5

4.5

φ56.5

φ42.8

φ40

φ64

12-φ3.5

φ32

8-M6

φ24

8-M5

φ19

4-φ3

5.8

9.0

0.3

CSG(CSF)-25

φ20

φ85

18.5

18

16.5

3.5

φ67

φ55.3

φ52.6

φ79

16-φ3.5

φ42

8-M8

φ30

8-M6

φ26

4-φ3

9.6

15.1

0.5

CSG(CSF)-32

φ26

φ112

22.5

21.5

19

4.5

φ90

φ74

φ68.6

φ104

16-φ4.5

φ55

8-M10

φ40

8-M8

φ34

4-φ5

15

25

1.1

CSG(CSF)-40

φ32(24)

φ126

24

22.5

21.5

4.5

φ105

φ86

φ81.2

φ117

20-φ4.5

φ68

8-M10

φ50

8-M10

φ42

4-φ5

21.3

36.5

1.5

CSG(CSF)-45

φ32(25)

φ147

27

26

23

6

φ121

φ103

φ97.6

φ137

16-φ5.5

φ82

8-M12

φ54

8-M12

φ60

4-φ5

23

42.6

2.3

CSG(CSF)-50

φ40(32)

φ157

31

30

28

5

φ131.6

φ108

φ102.6

φ147

16-φ5.5

φ84

8-M14

φ60

8-M14

φ50

4-φ5

34.8

60.2

5

CSG(CSF)-65

φ52(44)

φ210

39

37

35

7

φ176

φ138

φ132.6

φ198

20-φ6.6

φ110

8-M16

φ80

8-M16

φ64

4-φ6

55.6

103

8

無料見積もりを入手


会社概要
江蘇万達特殊軸受有限公司
江蘇万達特殊軸受有限公司
Jiangsu Wanda Special Bearing Co., Ltd. は国営ハイテク企業であり、以前は国営如皋ベアリング工場として知られていました。 Jiangsu Wanda Special Bearing Co., Ltd. は卸売OEM/ODM CSG(CSF)シリーズ高調波減速機用クロスローラーベアリング サプライヤー そして CSG(CSF)シリーズ高調波減速機用クロスローラーベアリング 工場. 当社は1969年に設立され、2001年に民営企業に転換されました。ベアリングの研究開発、製造、販売の専門分野で50年以上の歴史があります。当社は、国内初のマストガイドおよびチェーンローラーベアリングの指定製造業者であり、JB/T7360技術標準の起草における先導企業であり、国内初の専門型新興「リトルジャイアント」企業の1つです。
名誉の証明書
  • 2019年度プロダクション優秀賞
  • 2016年プロダクション優秀賞
  • 2012年プロダクション優秀賞
  • 優秀なサプライヤー
  • 優秀なサプライヤー
  • 優秀なサプライヤー
  • サプライチェーン優秀賞
  • 付属部品の優れたサプライヤー
  • 国家級製造業単一チャンピオン模範企業(製品)
  • 江蘇省小巨人企業
  • 全国軸受産業「第11次5年」先進企業の発展
  • 全国軸受産業「第11次5年」先進企業の発展
ニュース
  • CSG(CSF)シリーズ高調波減速機用クロスローラーベアリング

    動力伝達とマテリアルハンドリングの世界では、謙虚な チェーンシーブ 重要な役割を果たします。見落とされがちですが、この重要なコンポーネントは、無数の産業システムのスムーズ、効率的、安全な運用に不可欠です。この包括的なガイドでは、チェーン シーブの複雑さを掘り下げ、その機能、種類、選択基準、メンテナンスのベスト プラクティスを探ります。コンポーネントを指定するエンジ...

    続きを読む
  • CSG(CSF)シリーズ高調波減速機用クロスローラーベアリング

    フォークリフトベアリング パフォーマンスは産業車両の安全性、効率性、耐用年数に直接影響します。現代の物流、製造、倉庫環境では、フォークリフトは高負荷、頻繁な起動/停止サイクル、複雑な動作パターンの下で動作します。適切なベアリング ソリューションを選択することは、動作の安定性を維持し、ダウンタイムを最小限に抑えるために重要です。 フォークリフトのベアリング要件を...

    続きを読む
  • CSG(CSF)シリーズ高調波減速機用クロスローラーベアリング

    マテリアルハンドリングにおけるマストベアリングの重要な役割を理解する すべてのフォークリフトの昇降機構の中心には、故障すると作業が停止する可能性があるコンポーネント、つまりフォークリフトのマストローラーベアリングが存在します。これらの特殊なベアリングはマストの垂直移動の要であり、キャリッジとその積載物がスムーズ、安全かつ正確に昇降できるようにします。標準ベアリングとは異なり、マスト ベ...

    続きを読む
  • CSG(CSF)シリーズ高調波減速機用クロスローラーベアリング

    フォークリフトの複合ころ軸受の基礎を理解する フォークリフトの性能と耐久性を最大限に高めるには、フォークリフトの役割を理解する必要があります。 フォークリフト用複合ころ軸受 が不可欠になります。多くのフォークリフトでは、車輪と車軸のアセンブリは、重い荷重、頻繁な始動と停止、横方向の力、および場合によっては過酷な環境に耐える必要があります。複合ローラーベアリン...

    続きを読む
  • CSG(CSF)シリーズ高調波減速機用クロスローラーベアリング

    資材運搬車両の運用効率と安全性は、その品質とタイムリーな交換に大きく左右されます。 フォークリフトのスペアパーツ 。フォークリフトは複雑な機械であり、その動作環境が厳しいため、単純なフィルターから複雑な油圧システムに至るまで、さまざまなコンポーネントが継続的に摩耗や応力にさらされます。劣化の兆候を無視したり、標準以下の部品を選択したりすると、壊滅的なダウンタイム、高額な修理費、...

    続きを読む
  • CSG(CSF)シリーズ高調波減速機用クロスローラーベアリング

    倉庫の縁の下の力持ち: フォークリフトのベアリング技術の詳細 倉庫や配送センターの賑やかなエコシステムでは、多くの場合、フォークリフト自体、洗練された倉庫管理システム、または無人搬送車など、最も目に見える要素に焦点が当てられます。しかし、真の主力製品、つまりすべてのマテリアルハンドリング作業の文字通りおよび比喩的な重量を支えるコンポーネントは、フォークリフトのベアリングです。これらの精...

    続きを読む
  • CSG(CSF)シリーズ高調波減速機用クロスローラーベアリング

    江蘇万達特殊軸受有限公司は1969年の設立以来、50年以上にわたり特殊軸受技術の最前線に立ってきました。省技術センターと高度な生産ラインを備えたハイテク企業として、当社は産業用途向けの高性能ベアリングの研究、設計、生産に専念しています。この深い専門知識は、次のような重要なコンポーネントに直接適用されます。 フォークリフトチェーンシーブ e 、フォークリフトのマ...

    続きを読む
  • CSG(CSF)シリーズ高調波減速機用クロスローラーベアリング

    JiangsuWandaSpecialBearingCo.,Ltd (旧 RugaoWandaSpecialBearing Company) は 1969 年の設立以来、特殊ベアリングの研究と生産に専念するハイテク企業です。高度な精密実験装置、一流の生産ライン、省の技術センターに加えて省の特殊軸受工学技術研究センターを備え、当社は新製品の革新、軸受の機能設計、産業車両用軸受の議論、さらには関...

    続きを読む
  • CSG(CSF)シリーズ高調波減速機用クロスローラーベアリング

    フォークリフトのサイドローラーの役割を理解する フォークリフトのサイドローラー are crucial components in the mast assembly of material handling equipment, ensuring smooth vertical movement of the mast channels while reducing fr...

    続きを読む
  • CSG(CSF)シリーズ高調波減速機用クロスローラーベアリング

    ローラーホイールチェーンを理解する ローラーホイールチェーン さまざまな産業用途に不可欠なコンポーネントであり、効率的な動力伝達と移動を実現します。これらのチェーンはスプロケットと噛み合うローラーで構成されており、機械のスムーズで信頼性の高い動作を促進します。 ローラーホイールチェーンとは何ですか? ローラーホイールチェーン 機械コンポ...

    続きを読む
  • CSG(CSF)シリーズ高調波減速機用クロスローラーベアリング

    フォークリフト用複合ころ軸受 フォークリフトの性能と寿命に重要な役割を果たします。これらのベアリングは、高荷重に対応し、摩擦を軽減し、さまざまなフォークリフトのコンポーネントにスムーズな動きを提供するように特別に設計されています。適切なベアリングを選択すると、運用効率が向上するだけでなく、メンテナンスコストとダウンタイムも最小限に抑えられます。材料の持ち上げや輸送に...

    続きを読む
  • CSG(CSF)シリーズ高調波減速機用クロスローラーベアリング

    マテリアルハンドリングにおけるフォークリフト複合ころ軸受の重要な役割 マテリアルハンドリングや倉庫業務の厳しい世界では、機器の信頼性が生産性と収益性に直接影響します。多くのフォークリフト マスト システムの中心には、重要なコンポーネントがあります。 フォークリフト複合ころ軸受 。この特殊なベアリングは、大きなラジアル荷重とアキシアル荷重に耐えながら、マストのスムーズな垂直...

    続きを読む

15050632597

+86-15050632597

15050632597